Buscar
Toggle navigation
Matriculados
Noticias
Matricularse
Beneficios
Soporte Foros
Documentos
Descargas Tecnicas
Aranceles
Contacto
Quienes Somos
Lista de Precios
Lista de Precios PC – Netbook
Lista de Precios Reparacion Celulares
Cuenta
Suscripciones
Matriculados
Noticias
Matricularse
Beneficios
Soporte Foros
Documentos
Descargas Tecnicas
Aranceles
Contacto
Quienes Somos
Lista de Precios
Lista de Precios PC – Netbook
Lista de Precios Reparacion Celulares
Cuenta
Suscripciones
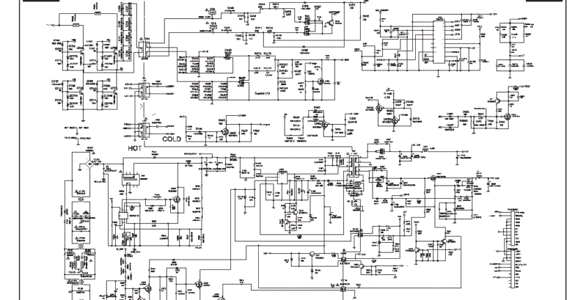
ESQUEMATICO FUENTE PLHC-A961A
CATEA
>
Descargas
>
Diagramas - Esquematicos
>
LED - SMART
>
FUENTE
>
ESQUEMATICO FUENTE PLHC-A961A
ESQUEMATICO FUENTE PLHC-A961A
8 de octubre de 2025
Publicado por:
Administracion
No hay comentarios
Versión
Descargar
154
Tamaño del archivo
641.64 KB
Recuento de archivos
1
Fecha de creación
8 de octubre de 2025
Última actualización
8 de octubre de 2025
philips_plhc-a961a_chassis_ram1.0ala_pwr_sch.pdf
Login is required to access this page
Deja una respuesta
Cancelar la respuesta
Versión
Descargar
154
Tamaño del archivo
641.64 KB
Recuento de archivos
1
Fecha de creación
8 de octubre de 2025
Última actualización
8 de octubre de 2025
philips_plhc-a961a_chassis_ram1.0ala_pwr_sch.pdf
Login is required to access this page
Sign In
La contraseña debe tener un mínimo de 8 caracteres de números y letras, y contener al menos 1 letra mayúscula
I want to sign up as instructor
Recordarme
Sign In
Registro
Restaurar la contraseña
Send reset link
Password reset link sent
to your email
Cerrar
Your application is sent
We'll send you an email as soon as your application is approved.
Go to Profile
No account?
Registro
Sign In
¿Has olvidado tu contraseña?