Esquemático Grafica AMD R9 290x CAD
CATEA > Descargas
Esuqmatico CAD – AMD r5 340
10
Oct
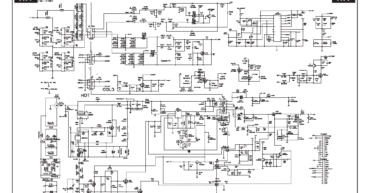
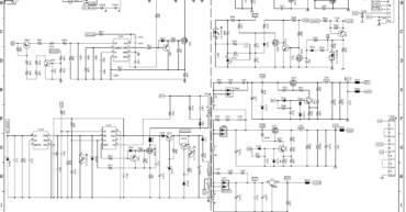
Esquemas de TV Philips
05
Oct
📺 Modelo ⚙️ Chasis đź§© Tipo de TV 🌎 RegiĂłn / Sufijo 14PT3131 Q552.2E CRT — 14PT4131 Q552.2E CRT — 20PT3331 Q552.2E CRT — 20PT4331 Q552.2E CRT — 21PT5435 Q552.2E CRT — 14MT2131/78 Q552.2E CRT /78 14MT2136/78 Q552.2E CRT /78 14PT3131/78R Q552.2E CRT /78R 14PT4131/78R Q552.2E CRT /78R 20HT4331/78H Q552.2E CRT /78H 20MT2131/78 Q552.2E CRT […]